联系槟城

实验室资源

解决方案

产品展示

关于槟城

首页

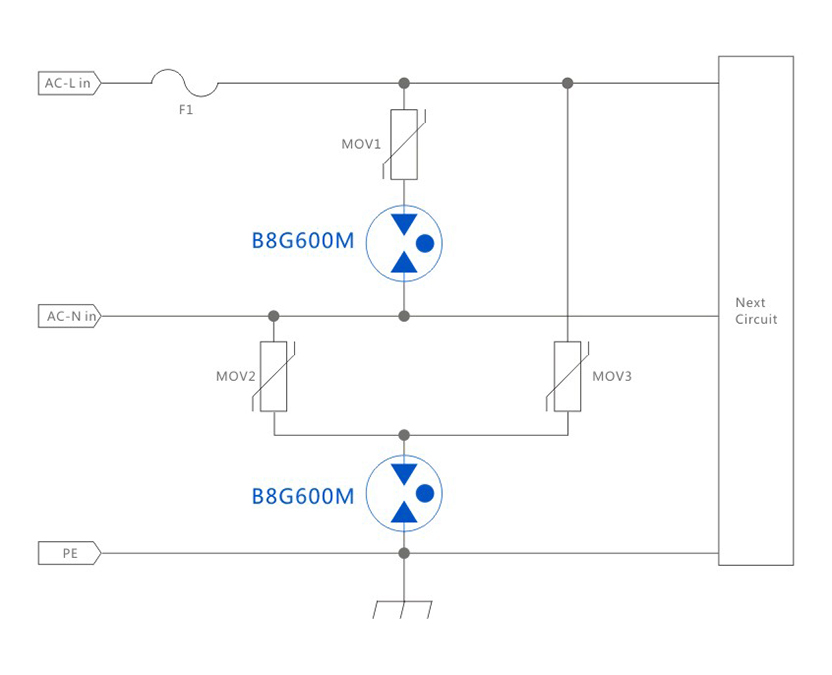
AC220V 1.2/50μs-8/20μs CM/DM10KV-5KA